"теория предсказаний для решения задач энергосбережения"






















































































































  Rambler's Top100

     Регулируемый гидропривод на воде высокого давления.

   Источник гидропитания (модуль гидравлический) разработанный и запатентованный ООО "НПФ "Гидромеханика" является групповым и предназначен для гидропитания любых сложных гидравлических систем. Заменяет собой насосно-аккумуляторные станции (НАС).
   Разработки ООО "НПФ "Гидромеханика" позволяют для любых задач, требующих использования гидропривода, применять так называемый принцип "открытой архитектуры", предполагающий комбинирование любых гидравлических схем с помощью набора стандартных унифицированных модулей.
Универсальный насосно-аккумуляторный гидравлический модуль для любых гидросистем.    Системообразующим элементом в этой концепции является патентованный многофункциональный гидравлический модуль серии ИПК. С помощью модулей серии ИПК решаются любые задачи промышленного гидропривода. Набирая их в параллель, мы создаем гидроприводы для любых гидрофицированных систем любой требуемой мощности, в том числе и групповых.
   Не будет являться проблемой в этой концепции и гидравлическая Универсальный источник гидропитания 10ИПК6Б-250/160 для замены насосно-аккумуляторных станций. среда. Для перехода на требуемую жидкость используются специальные модули серии ВМ, позволяющие преобразовывать энергию минерального масла под давлением, передаваемую модулем ИПК в энергию любой другой жидкости. Это может быть и водомаслянная эмульсия, и вода, а при необходимости даже кислота или щелочь.
   Модули ВМ позволяют также преобразовывать установленную мощность ИПК с помощью эффекта мультипликации как по параметру требуемого давления (до тысяч атмосфер), так и по параметру требуемого расхода (до тысяч л/мин) при наличии собственных неизменных характеристик самого модуля (модулей) ИПК.
Система ИПК-ВМ.
Ориентировочное размещение комплекса оборудования для гидросбива печной окалины с поверхности гильзы перед непрерывным станом и черновой трубы перед редукционным станом.

   С помощью модулей, без особых проблем создаются компрессорные, вакуумные и холодильные системы, а также системы водоснабжения, отопления, пульпопроводы, системы густой смазки и т.д. Причем системы, построенные на основе модулей ИПК, не имеют внутренних конфликтов, характеризующихся гидроударами, и имеют колоссальный запас устойчивости при жестких и случайных по времени динамических режимах. Это становится возможным благодаря принципу внутренней ненапряженности, при котором не мы выбираем внутренние параметры системы, а система их "устанавливает" самостоятельно в согласии с природой явления (без фазовых сдвигов). Мы же меняем лишь граничные условия, направляя процесс в нужное нам русло. Комбинирование Система ИПК-ВМ.
любых из вышеназванных схем с применением унифицированных модулей, построенных на принципах внутренней ненапряженности, не требует каких либо специальных знаний в области решаемых с помощью этого оборудования задач. Только при этой концепции становится возможным создание сколь угодно мощных, протяженных и разветвленных гидросистем.
   В альтернативной концепции при укоренившихся традиционных подходах, когда разработчики пытаются расчетно установить максимальное количество параметров и управлять ими (принуждать внутренние состояния системы) Система ИПК-ВМ. появляются ограничения на мощность и динамику системы, так как неизбежные при этих расчетах неточности (динамически изменяющиеся фазовые сдвиги), вносимые в управление, многократно усиливаются, делая систему напряженной, внутренне конфликтной и противоречивой, а в конечном счете, после определенного предела и неработоспособной.
   Именно в рамках этой ущербной концепции получили широкое распространение так называемые индивидуальные гидроприводы, в которых задача минимизации внутренней конфликтности вынудила раздробить требуемую общую мощность единой системы на части. Но этот прием несет в себе другой не менее существенный минус, а именно, многократное превышение суммарной установленной мощности против мощности необходимой. Иными словами очень низок коэффициент загрузки оборудования, а с учетом требуемого 100% резерва в некоторых случаях он просто ничтожен.
   С учетом вышесказанного для решения проблем гидросбива предлагается взглянуть на эту проблему шире, а именно, с позиций материальных и энергетических затрат всего комплекса оборудования прокатного стана, а также с учетом потенциальных возможностей предлагаемого оборудования.
   Так, предлагается помимо гидросбива запитать от модулей ИПК также и остальные гидрофицированные агрегаты прокатного стана. В пользу такого решения говорит и то, что в этом случае существенно повышается надежность комплекса прокатного оборудования. Действительно, при отказе любого индивидуального привода стана останавливается весь стан (в случае отсутствия стопроцентного резерва). При использовании же группового привода на базе ИПК отказ одного из модулей не повлечет за собой остановки стана, так как модули группы работают параллельно и как бы поддерживают и подменяют друг друга. Не нужно в этом случае и большое количество резервного оборудования.




   Описание принципов, положенных в основу создания
регулируемой гидросистемы повышенного давления на воде.

   Ниже приведено более подробное описание примера создания на принципах внутренне ненапряженных систем регулируемого водяного источника гидропитания. Принцип "открытой архитектуры" позволяет "нарастить" эту систему до требуемой мощности.
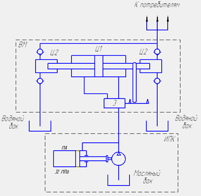
   Для создания регулируемого водяного источника гидропитания высокого давления по вышеназванному принципу в качестве составных элементов используются два типа модулей: приводной масляный типа ИПК, и исполнительный водяной типа ВМ.
                       Схема ИПК-ВМ.
   Водяной модуль ВМ является поршневым прямодействующим насосом, а по существу, преобразователем энергии потока масла в энергию потока воды. Традиционно плунжеры водяных насосов высокого давления приводятся в движение с помощью кривошипно-шатунного механизма. В данном случае приводом водяного плунжера вместо кривошипно-шатунного механизма является гидравлический модуль ИПК (один или группа). Отличительной особенностью такой конструкции является то, что водяные исполнительные модули ВМ и гидравлические приводные модули ИПК не имеют жесткой привязки и обладают большой гибкостью в построении гидравлических схем, работающих на механизмы, требующие как энергию минерального масла, так и энергию воды.
   Рассмотрим работу тандема "ИПК-ВМ". Для простоты описания возьмем один водяной модуль ВМ и один гидравлический ИПК, хотя, как уже говорилось, они могут наращиваться в группы в каких угодно комбинациях и до какой угодно мощности.
   Как видно из рисунка, гидравлический масляный модуль ИПК управляет возвратно-поступательным движением масляного цилиндра Ц1, являющегося составным элементом водяного модуля ВМ. Автоматический реверс цилиндра Ц1 обеспечивает золотник реверсивного хода З. Масляный цилиндр в свою очередь сообщает свои движения уже водяным плунжерным цилиндрам Ц2 водяного модуля ВМ. Как видно система очень проста и легка в обслуживании.
   В качестве масляного гидравлического управления используется универсальный гидравлический модуль ИПК, автоматически изменяющий подачу по фактическому расходу при стабильном давлении. Принципы функционирования модуля ИПК запатентованы. Модуль ИПК по сути своей является групповым приводом, то есть имеет характеристику насосно-аккумуляторной станции (НАС), поэтому ему безразлично, чем управлять, водяными поршнями ВМ или еще чем либо.
   Система же с водяными поршнями работает следующим образом.
   Когда потребления воды высокого давления нет, т.е. расход перекрыт, то перепад давления между полостью микроаккумулятора МА гидравлического модуля ИПК и плунжерной полостью водяного насоса ВМ равен нулю, и система имеет нулевую подачу.
   При открытии дистрибутора, появляется рассогласование - перепад давления, который по контуру главной обратной связи передает сигнал (перемещение поршня микроаккумулятора МА) на подачу масляному насосу, входящему в модуль ИПК. Насос сводит рассогласование (перепад давления) к нулю, но уже при подаче, определяемой фактическим расходом. Золотник реверсивного хода обеспечивает возвратно-поступательное движение цилиндров Ц2 водяного модуля ВМ, насос работает. При перекрытии подачи водяного модуля ВМ вся система выходит на нулевую подачу. Охолащивание насоса, как видим, не требуется, рабочая жидкость не перегревается, так как к.п.д. системы очень высок, порядка 0.9.

Главная
История
Инновационные предложения
Публикации
Приглашение к сотрудничеству
Контакты
              630024 г. Новосибирск 
  тел./факс: (383)361-26-80, 361-25-58
                          e-mail: gidromehanika@list.ru